Bénéficiez d'une expérience personnalisée en activant votre accès à dexis.fr

Rechercher un produit, une référence...

 
 
 
 
 
 
 
 
 
 
 
 
 
 
 
 
 
 
 
 
 
 
 
 
 
 
 
 
 
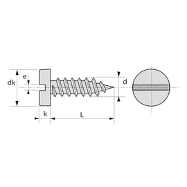
Vis à tôle tête cylindrique fendue Zingué | DEXIS