Bénéficiez d'une expérience personnalisée
en activant votre accès à dexis.fr
Bénéficiez d'une expérience personnalisée
en activant votre accès à dexis.fr
Bénéficiez d'une expérience personnalisée
en activant votre accès à dexis.fr
Rechercher un produit, une référence...
Rechercher
Trouver mon agence
Me connecter
Panier
Menu
Produits
Marques
Services
Catalogues
Transmission
Pneumatique et Hydraulique
Automatisme et Robotique
EPI - Protection individuelle
Outillage
Usinage
Abrasifs
Consommables
Métrologies et Instrumentation
Équipements d'atelier
Machines-outils et accessoires
Étanchéité industrielle
Vannes, Régulation des fluides
Précédent
Suivant
Partager
Imprimer
PARKER
Partager
Imprimer
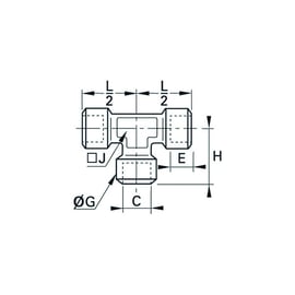
Raccord à compression Té égal série 1845
Code P : P8202JG
Choisir parmi les 5 références
Série
1845
Type
à compression
Descriptif et caractéristiques
Documentation
Fiche technique •
PDF
Filtres
Accueil
Produits
Pneumatique et Hydraulique
Raccords pneumatiques et accessoires
Raccords instantanés et à compression
Raccords à compression
Raccord à compression Té égal série 1845
Raccords à compression