Rechercher un produit, une référence...
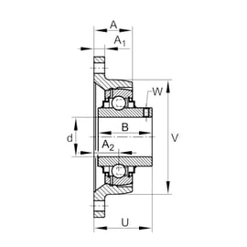
Forme
ovale
Matière du palier
fonte
Serrage de l'arbre
vis de blocage
Type d'étanchéité
P