Rechercher un produit, une référence...

INA ROULEMENTS
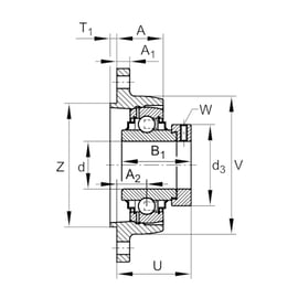
Palier complet auto-aligneur applique RCJTZ
Palier complet auto-aligneur applique RCJTZ
Palier complet auto-aligneur applique RCJTZ

INA ROULEMENTS

Palier complet auto-aligneur applique RCJTZ

Code P : P7800VY

Forme

ovale

Matière du palier

fonte

Serrage de l'arbre

bague excentrique

Type d'étanchéité

R