Bénéficiez d'une expérience personnalisée en activant votre accès à dexis.fr

Rechercher un produit, une référence...

INA ROULEMENTS
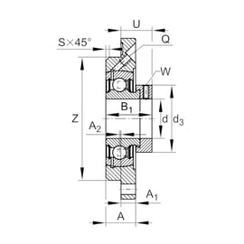
Palier complet auto-aligneur applique PME
Palier complet auto-aligneur applique PME
Palier complet auto-aligneur applique PME

INA ROULEMENTS

Palier complet auto-aligneur applique PME

Code P : P7800UX

Forme

rond

Matière du palier

fonte

Serrage de l'arbre

bague excentrique

Type d'étanchéité

P