Rechercher un produit, une référence...
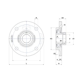
Forme
applique
Matière du palier
fonte
Serrage de l'arbre
bague excentrique
Type de norme
ISO
Type d'étanchéité
2 joints