Bénéficiez d'une expérience personnalisée
en activant votre accès à dexis.fr
Bénéficiez d'une expérience personnalisée
en activant votre accès à dexis.fr
Bénéficiez d'une expérience personnalisée
en activant votre accès à dexis.fr
Rechercher un produit, une référence...
Rechercher
Trouver mon agence
Me connecter
Panier
Menu
Produits
Marques
Services
Catalogues
Transmission
Pneumatique et Hydraulique
Automatisme et Robotique
EPI - Protection individuelle
Outillage
Usinage
Abrasifs
Consommables
Métrologies et Instrumentation
Équipements d'atelier
Machines-outils et accessoires
Étanchéité industrielle
Vannes, Régulation des fluides
Précédent
Suivant
Filtres
Accueil
Produits
Transmission
Roulements et Paliers
Galets et rotules
Galets de came sur axe
Galet de roulement sur axe à aiguilles série KRE
Galets de came sur axe
Partager
Imprimer
INA ROULEMENTS
Partager
Imprimer
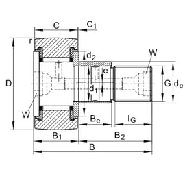
Galet de roulement sur axe à aiguilles série KRE
Code P : P7802US
Série
KRE
Descriptif et caractéristiques