Rechercher un produit, une référence...
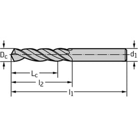
Type de foret
monobloc
Matériaux à usiner
acier , fonte
Matière
HSS
Trou de lubrification
non
Angle de pointe
118°