Rechercher un produit, une référence...
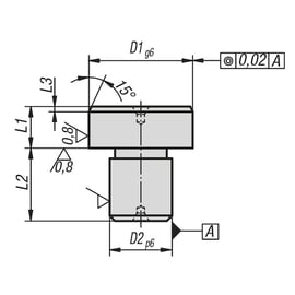
Matière
acier
Type
cylindrique
Diamètre centrage
10 mm
Diamètre de la tête
Hauteur de tête
8 mm