Bénéficiez d'une expérience personnalisée en activant votre accès à dexis.fr

Rechercher un produit, une référence...

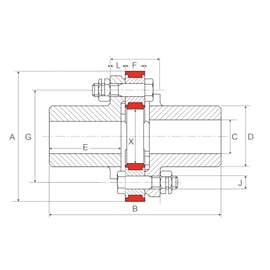
Accouplement élastique préalésé série STRAFLEX - 200 N.m | DEXIS